芯城品牌采购网 > 品牌资讯 > DDR

三星HBM4E首发GTC2026,LPDDR6、PCIe6.0SSD齐登场-芯城品牌采购网

3月17日,三星电子在当日举行的NVIDIAGTC2026大会上,全面展示了其在AI计算领域的完整技术布局,彰显全球半导体龙头的硬实力。作为全球唯一一家能够提供涵盖内存、逻辑、晶圆代工及先进封装在内的完整解决方案的半导体厂商,三星此次集中展出了从高性能内存到个人设备低功耗解决方案的全系产品,覆盖多场景需求。在个人设备领域,三星展示了针对本地工作负载优化的内存解决方案,包括为NVIDIADGXSpa

芯城品牌采购网

5516

全球首个!SK海力士1cLPDDR6问世-芯城品牌采购网

3月10日,SK海力士正式宣布,成功基于第六代10纳米级(1c)工艺技术,开发出16GbLPDDR6DRAM内存产品,精准匹配端侧AI应用对高性能、高能效的严苛需求,再度领跑全球移动内存技术迭代。早在今年1月CES展会上,该产品已首次亮相,如今SK海力士顺利完成全球首个1c工艺LPDDR6的开发验证,进度领先行业。公司计划于今年上半年完成量产准备,下半年正式启动供货,进一步扩充其面向AI应用优化的

芯城品牌采购网

13253

DDR4内存“第二春”,三星海力士为何改变主意?-芯城品牌采购网

全球内存短缺叠加价格飙升,让原本计划退场的DDR4内存迎来“第二春”。三星电子与SK海力士正式宣布,撤回今年年底停产DDR4内存的计划,将生产持续至2026年;其中SK海力士更因客户订单暴增,决定提高中国无锡工厂的DDR4产能,抢占高利润市场。据悉,两家巨头原本规划在2024年底至2026年初逐步停止DDR4出货,但近期市场格局突变促使其调整策略。当前全球DDR4供应缺口持续扩大,价格已逆势反超D

芯城品牌采购网

23743

2025年12月18日,SK海力士SKhynix,以下简称“公司”)宣布,其基于第五代10纳米级(1b)32Gb单片的256GBDDR5RDIMM*高容量服务器DRAM模块,已成功应用于英特尔®至强®6(Intel®Xeon®6)平台,并首次通过英特尔®数据中心认证(Intel®DataCenterCertified),标志着该产品在性能、兼容性与可靠性方面获得业界权威认可。*寄存双列直插式内存

芯城品牌采购网

33910

存储芯片年底走势分化:DDR4为何还在猛涨?-芯城品牌采购网

12月10日集邦科技(TrendForce)发布最新报告显示,临近年底,不同类型DRAM产品走势出现分歧:DDR5与DDR3在前期大幅上涨后迎来小幅回调,而DDR4尤其是16Gb产品涨势依旧强劲;与此同时,NANDFlash现货市场在供应端支撑下持续刷新历史高点,行业成本传导逻辑全面兑现。DRAM市场的分化走势尤为值得关注。DDR5与DDR3本周的温和回落,核心源于部分现货交易商的年底获利了结操作

芯城品牌采购网

31183

DDR4/DDR5短缺将持续至2027年!-芯城品牌采购网

内存市场的“涨价潮”已演变为持久战。12月7日消息,据科技媒体Wccftech报道,当前DDR4DDR5内存价格已完全失控,且这一短缺与涨价状况,至少将持续至2027年第四季度,未来两年难有好转迹象。这场市场风暴的背后,是存储巨头的战略转向。此前存储大厂美光已宣布终止Crucial英睿达消费级业务,明年3月起停售旗下品牌内存和SSD。核心原因在于数据中心需求急剧上升,全面冲击消费级市场,推动内存

芯城品牌采购网

32376

40Gbps狂飙!三星GDDR7显存获“总统级表彰”-芯城品牌采购网

显存技术领域再迎颠覆性突破!12月5日消息,据《韩国时报》报道,三星在首尔举行的2025年度韩国科技节上,重磅展示了速率高达40Gbps的GDDR7显存。这款单颗容量为3GB(24Gb)的新品,凭借顶尖性能斩获“总统级表彰”,成为本次科技节的焦点之一。这款获奖显存的核心竞争力源于底层技术革新。它采用三星12nmDRAM制程工艺(性能相当于10nm级别),更搭载了三电平PAM3信号编码技术——区别于

芯城品牌采购网

25934

突发!长鑫存储DDR4产能砍半-芯城品牌采购网

全球内存市场格局生变!12月4日,据台湾《数码时报》援引业内消息,长鑫存储正将DDR4DRAM产能直接腰斩,同时全面聚焦DDR5与LPDDR5高端内存标准。在全球内存供应短缺的当下,这一果断调整被解读为其向三星、SK海力士等国际巨头发起冲击的关键信号。产能调整已落地执行。此前长鑫存储计划将DDR4月产能维持在2万片晶圆至2026年底,最新规划显示该数字已降至约1万片。这一动作并非盲目收缩,而是精准

芯城品牌采购网

36567

DDR5量产加速?三星近亿订单买测试设备-芯城品牌采购网

11月26日,据韩媒TheElec报道,韩国半导体设备商DI正式宣布,已与三星电子中国苏州工厂达成一份价值191亿韩元(约合9189万元人民币)的设备采购合同,核心为供应DDR5内存专用老化测试设备,这一合作将直接加速三星DDR5内存的产能释放。此次交易的推进效率备受关注。根据合同条款,DI公司预计将在12月内全额收回款项,这一明确的付款节点不仅体现了三星对设备需求的迫切性,也彰显了双方对合作的高

芯城品牌采购网

25832

半导体龙头发力,兆易创新LPDDR4X将量产-芯城品牌采购网

国内Fabless半导体龙头兆易创新(GigaDevice)在2025年第三季度业绩说明会上释放重磅信号:自研LPDDR4X内存产品将于明年实现量产,同时已启动小容量LPDDR5X的研发规划,存储业务布局再提速。不过公司明确表示,目前暂无DDR5产品的相关研发计划,将聚焦既定赛道深耕。LPDDR系列内存作为移动终端、物联网设备的核心存储部件,市场需求持续旺盛。兆易创新此次明确LPDDR4X量产

芯城品牌采购网

26000

瑞芯微推出DDR短缺应对方案,保障量产-芯城品牌采购网

近一年来,DDR颗粒短缺已成为电子产业的“共性难题”,直接引发终端产品涨价、研发成本攀升,更导致项目进度延误,消费类产品受冲击尤为明显。在此背景下,深耕智能终端领域的瑞芯微,正通过技术升级与资源开放,为合作伙伴破解困局。瑞芯微旗下RK3588、RK3576、RK3568等主流SOC平台,广泛覆盖各类智能终端场景,且均具备多类型DDR支持能力——在缺货潮中,多一种DDR适配方案,就意味着多一份量产保

芯城品牌采购网

30650

国产存储重大突破!长鑫存储发布LPDDR5X-芯城品牌采购网

在近期举行的行业会议上,长鑫存储副总裁李红文透露,公司已正式推出LPDDR5X系列内存产品,同时一款厚度仅0.58mm的LPDDR5X正处于研发中,若成功量产将成为业内最薄的同类产品。此次发布的LPDDR5X系列覆盖多元需求,提供12GB、16GB、24GB、32GB等多种容量封装方案,速率涵盖8533Mbps、9600Mbps至10677Mbps多个档位。作为当前旗舰级移动设备的核心内存,LPD

芯城品牌采购网

34680

DDR5内存涨势不止,2026年利润将反超HBM3e-芯城品牌采购网

10月30日,市场研究机构TrendForce发布最新报告,指出受全球云服务商(CSP)数据中心扩容驱动,服务器DRAM市场迎来涨价潮,DDR5内存价格持续攀升,预计2026年第一季度起盈利能力将首次超越HBM3e,改写内存市场利润格局。第四季度服务器DRAM合约价涨势强劲,供应商因订单激增上调报价意愿强烈。TrendForce已将传统DRAM价格增长预期从8%-13%大幅上修至18%-23%,且

芯城品牌采购网

34839

随着内存短缺问题日益严峻,业内消息显示,三星电子率先于10月份暂停了DDR5DRAM合约定价,其他厂商随后纷纷跟进。此次暂停预计将导致合约价格公布延迟至11月中旬,进一步加剧市场供应紧张局面。同时,DRAM现货价格大幅上涨,DDR5自上月底以来价格已翻倍,采购成本显著上升。业内分析指出,尽管市场普遍预期三星将在2025年第四季度提高内存合约价格,但三星意外未在10月底前提供合约报价,下游客户因此面

芯城品牌采购网

29008

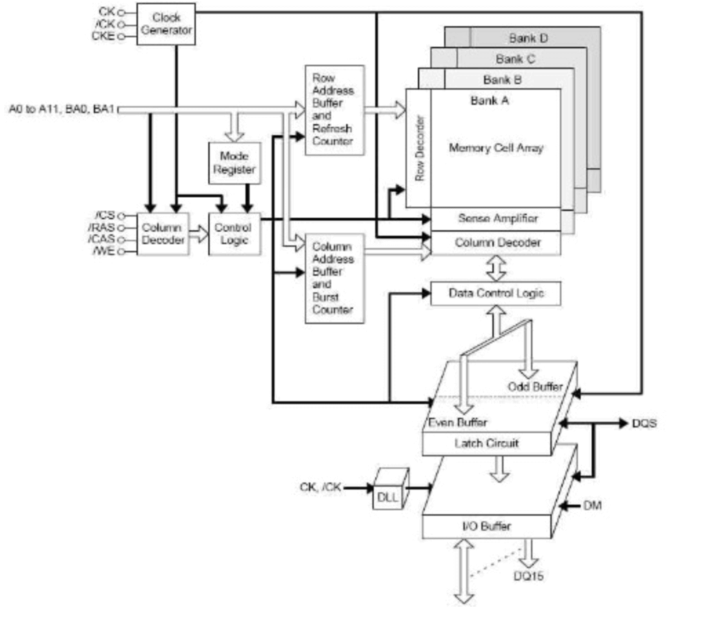
DDRSDRAM-芯城品牌采购网

DDRSDRAM简介DDR内存是更先进的SDRAMSDRAM只在时钟周期的上升沿传输指令、地址和数据。而DDR内存的数据线有特殊的电路,可以让它在时钟的上、下沿都传输数据。所以DDR在每个时钟周期可以传输两个数据,而SDRAM只能传输一个数据。举例来说,DDR266能提供266MHz×2×4B=2.1GB/s的内存带宽。另外,由于它是基于SDRAM的设计制造技术,因此厂房、流水线等设备的更新成本

芯城品牌采购网

30043

DDR存储器工作原理SDRAM在一个时钟周期内只传输一次数据,它是在时钟的上升期进行数据传输;而DDR内存则是一个时钟周期内传输两次数据,它能够在时钟的上升期和下降期各传输一次数据,因此称为双倍速率同步动态随机存储器DDR内存可以在与SDRAM相同的总线频率下达到更高的数据传输率。DDR存储器内存频率DDR内存频率是DDR内存频率是指内存模块从内存控制器接收和发送数据的速率,常见的DDR内存频率

芯城品牌采购网

31055

DDR-芯城品牌采购网

DDRSDRAM的简介DDR内存是更先进的SDRAM。SDRAM只在时钟周期的上升沿传输指令、地址和数据。而DDR内存的数据线有特殊的电路,可以让它在时钟的上、下沿都传输数据。所以DDR在每个时钟周期可以传输两个数据,而SDRAM只能传输一个数据。举例来说,DDR266能提供266MHz×2×4B=2.1GB/s的内存带宽。另外,由于它是基于SDRAM的设计制造技术,因此厂房、流水线等设备的更新成

芯城品牌采购网

24220

朗科旗舰级内存ZRGBDDR5再添新规格,频率高达8000MHz,即将量产上市!-芯城品牌采购网

随着Intel和AMD对DDR5的全面支持,以及新平台兼容性的优化提升,市面上DDR5产品如雨后春笋般涌现,更高的频率、更强的性能也开始成为各大厂商角力的焦点。此前,朗科发布了旗舰款Z系列DDR5内存,经过研发团队对DDR5潜力不断地挖掘,在6200MHz的基础上迎来更新,推出了高达8000MHz的规格频率,将于明年初正式上市。除了DDR5-8000MHz频率外,朗科Z系列还新增了DDR5-760

芯城品牌采购网

25622

12月12日,美光宣布其LPDDR5X移动内存正持续受到市场青睐,并已正式搭载于小米最新款旗舰智能手机Xiaomi13。Xiaomi13是全球首批采用LPDDR5X的智能手机之一,其峰值速率高达每秒8.533Gb。美光最新版本LPDDR5X专为高端和旗舰智能手机设计,峰值速率比上一代LPDDR5提升33%。与去年秋季所实现的每秒7.5Gb速率相比,该款满血版LPDDR5X速率进一步提升,为需要高性

芯城品牌采购网

26990

芝奇DDR5-80002x16GB极速内存套装已上市开卖-芯城品牌采购网

2022年12月1日–世界知名超频内存及高端电竞设备领导品牌,芝奇国际荣幸宣布,已成功将日前展示的超高速DDR5-8000超频内存套装导入市售规格,并已陆续出货至全球各大经销商并完成上架,率先将DDR5市售规格带入8000MT/s的全新里程碑,此次上市推出的DDR5-8000CL38-48-48-1282x16GB极速规格套装,皆由严选的DDR5IC颗粒打造,并将加入芝奇TridentZ5RGB幻

芯城品牌采购网

26017

近日,封测龙头长电科技宣布,高性能动态随机存储DDR5芯片成品实现稳定量产。随着5G高速网络、云端服务器、智能汽车等领域对存储系统性能的要求不断提升,DDR5芯片在服务器、数据中心等领域加速渗透。相比前代产品,DDR5因其速度更快、能耗更低、带宽更高、容量更大等优势,给用户带来更佳的可靠性和扩展性,市场前景广阔。反映到芯片成品制造环节,包括DDR5在内的存储芯片效能不断提升,对芯片封装提出更高集成

芯城品牌采购网

25924

11月11日,SK海力士宣布,其DRAM和CXL解决方案已通过第4代AMDEPYC(霄龙)9004系列处理器的验证。第4代AMDEPYC处理器基于全新的SP5插槽构建,提供创新的技术和功能,包括支持高级DDR5和CXL1.1+内存扩展。SK海力士1ynm、1anm16GbDDR5和1anm24GbDDR5DRAM在第4代AMDEPYC处理器上支持4800Mbps频率,内存带宽比DDR4产品增加高达

芯城品牌采购网

27893

12月12日,美光宣布其LPDDR5X移动内存正持续受到市场青睐,并已正式搭载于小米最新款旗舰智能手机Xiaomi13。Xiaomi13是全球首批采用LPDDR5X的智能手机之一,其峰值速率高达每秒8.533Gb。美光最新版本LPDDR5X专为高端和旗舰智能手机设计,峰值速率比上一代LPDDR5提升33%。与去年秋季所实现的每秒7.5Gb速率相比,该款满血版LPDDR5X速率进一步提升,为需要高性

芯城品牌采购网

29317

美光LPDDR5内存获得ISO26262安全标准ASIL-D等级认证-芯城品牌采购网

随着自动驾驶汽车愈发迅猛的发展驱势,人们对汽车的功能安全也更加关注。由于许多新兴高级驾驶辅助系统(ADAS)平台的组件与系统非常复杂,与数据中心相比有过之而无不及,因此确保汽车的硬件系统符合各项安全风险防控标准至关重要。事实上,当前许多L2和L3级别的自动驾驶汽车都使用了数据中心组件与系统级芯片(SoC),如专用视觉处理器、GPU与高性能内存等。ISO26262标准半导体分类ISO26262标准旨

芯城品牌采购网

29239

11月15日,美光宣布LPDDR5X移动存储器已获得高通最新旗舰智能手机移动平台Snapdragon®8Gen2验证,并已集成到Snapdragon8Gen2参考设计中。美光最新LPDDR5X专为高端和旗舰智能手机打造,峰值速度8.533Gbps,比上一代LPDDR5提高33%。美光LPDDR5X已开始量产,并在全球范围内出货。

芯城品牌采购网

28707

当地时间11月10日,美光宣布推出适用于数据中心的DDR5存储器,该存储器已针对新的AMDEPYC™9004系列处理器进行了验证。随着现代服务器将更多处理内核装入CPU,每个CPU内核的存储器带宽一直在下降。与前几代相比,美光DDR5提供了更高的带宽,从而缓解了这一瓶颈,提高了可靠性和可扩展性。据介绍,美光将配备其DDR5的单个第4代AMDEPYC处理器系统的STREAM基准性能与3200MT/秒

芯城品牌采购网

29593